杉田エース トイレブース・ラバトリー

杉田エース トイレブース・ラバトリー
杉田エース トイレブース・ラバトリー
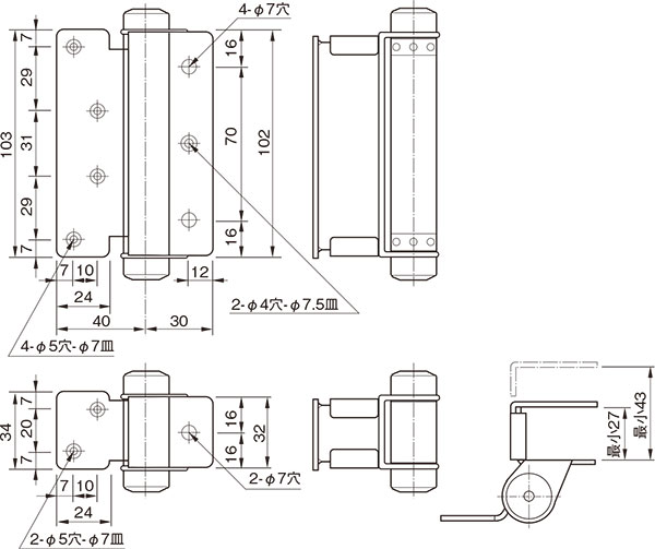
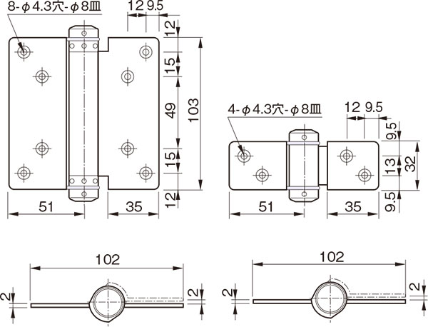
  • トイレの扉にご使用いただけます。スプリング入りのヒンジにより、自動的に扉を閉めることができます。
  • 止めピンの位置調整により、開放式または自閉式にすることができます。
  • 新機構を採用しており、本体を分解してスプリングを交換する必要がありません。
  • 常にスプリングが正しい働きをする構造です。
  • 内開き、外開き、左勝手、右勝手いずれにもご使用いただけます。
【ご注意】
  • 通常は、内開き用にセットしてあります。
  • 左右勝手は、上下を逆にして取付けることで変更できます。
材質 SUS304
仕上 ヘアライン
扉厚 28 ~ 43
耐荷重 15kgf
付属部品 SUS十字穴付皿木ネジ 3.1×25:6本
真鍮調整ボルト:3本
化粧カバーナット:3個
型番
入数
価格
購入数
127-630
1個
4,770
杉田エース トイレブース・ラバトリー
杉田エース トイレブース・ラバトリー
  • 止めピンの位置調整により、開放式または自閉式にすることができます。
  • 新機構を採用しており、本体を分解してスプリングを交換する必要がありません。
  • 常にスプリングが正しい働きをする構造です。
  • トイレの扉にご使用いただけます。スプリング入りのヒンジにより、自動的に扉を閉めることができます。
  • 内開き、外開き、いずれにもご使用いただけます。
【ご注意】
  • 通常は、内開きにセットしてあります。
  • ガラス入りドアには、ご使用にならないでください。
材質 SUS304
仕上 ヘアライン
耐荷重 15kgf
付属部品 SUS十字穴付皿木ネジ 3.8×25:12本
型番
入数
価格
購入数
127-631
1個
6,760
杉田エース トイレブース・ラバトリー
杉田エース トイレブース・ラバトリー
  • 主にトイレの内・外開き扉用などとしてご使用いただけます。
材質 SUS304
仕上 研磨
扉厚 30 ~ 45
重量 200g
付属部品 SUS十字穴付皿木ネジ 3.1×20:6本
3.1×16:2本
型番
入数
価格
購入数
127-657
1個
1,230
杉田エース トイレブース・ラバトリー
杉田エース トイレブース・ラバトリー
  • トイレの内・外開き扉用、一般扉の内締りなどとしてご使用いただけます。
材質 SUS304
仕上 研磨
重量 120g
付属部品 SUS十字穴付皿木ネジ 3.1×20:6本
型番
入数
価格
購入数
127-656
1個
660
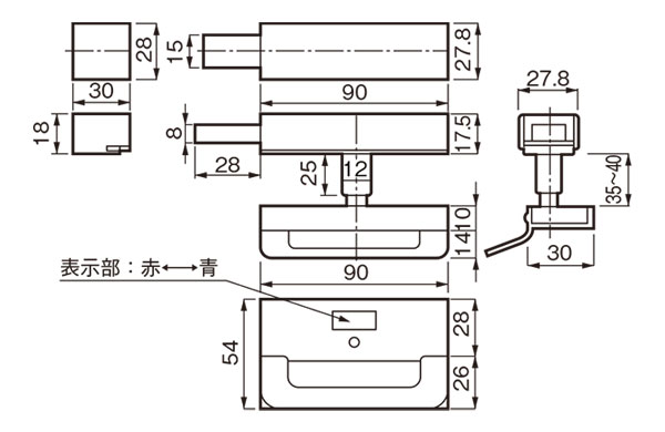
杉田エース トイレブース・ラバトリー
杉田エース トイレブース・ラバトリー
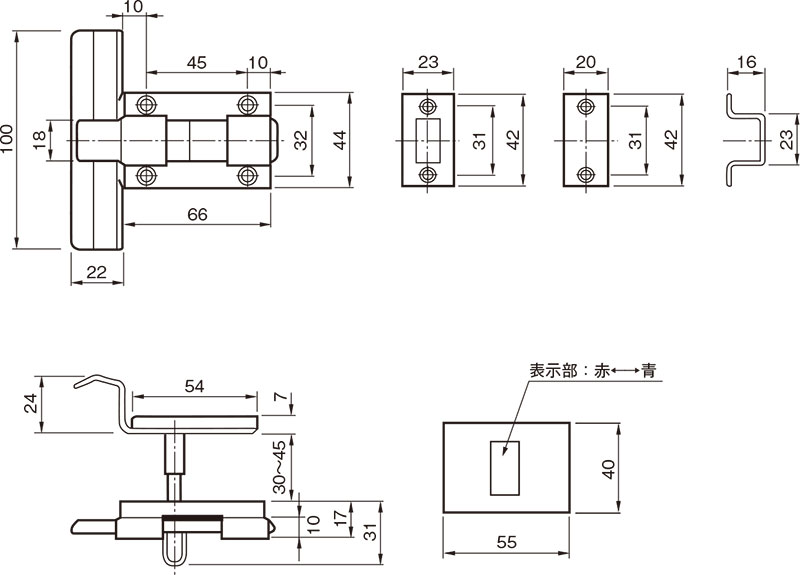
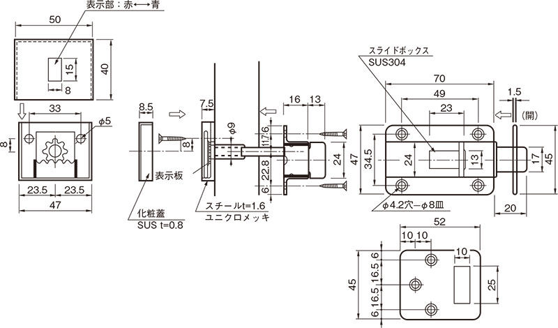
  • トイレの内・外開き扉用の表示付ラッチなどとしてご使用いただけます。
  • 特殊装置により軸の回転で表示板がスライドしますので、扉にφ10の穴をあけるだけで取付けができます。
材質 SUS304
仕上 研磨
扉厚 26 ~ 40
重量 200g
付属部品 SUS十字穴付皿木ネジ 3.5×20:2本
3.5×25:7本
型番
入数
価格
購入数
127-654
1個
1,770
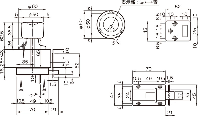
杉田エース トイレブース・ラバトリー
杉田エース トイレブース・ラバトリー
  • 主にトイレの外開き扉用などにご使用いただけます。
  • 非常開放装置付きです。
  • 握玉は固定式で回転しません。
材質 SUS304
仕上 ヘアライン
扉厚 28 ~ 43
重量 300g
付属部品 SUS十字穴付皿木ネジ 3.5×25:10本
型番
入数
価格
購入数
127-659
1個
2,820
杉田エース トイレブース・ラバトリー
杉田エース トイレブース・ラバトリー
  • トイレ、物入れの外開き扉用などにご使用いただけます。
  • 取手付のため固定玉等を付ける必要がありません。
材質 SUS304
仕上 研磨
扉厚 30 ~ 45
重量 250g
付属部品 SUS十字穴付皿木ネジ 3.1×20:6本
3.1×16:4本
型番
入数
価格
購入数
127-655
1個
1,770
杉田エース トイレブース・ラバトリー
杉田エース トイレブース・ラバトリー
杉田エース トイレブース・ラバトリー
杉田エース トイレブース・ラバトリー
杉田エース トイレブース・ラバトリー
杉田エース トイレブース・ラバトリー
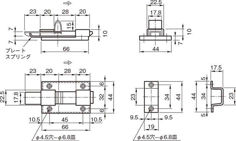
  • トイレの内・外開き扉用、その他の扉の補助締りとしてご使用いただけます。
【ご注意】
  • 軸芯がずれないようにし、垂直水平をしっかり出してお取付けください。
材質 SUS304
仕上 ヘアライン
重量 表示なし:250g、表示あり:380g、ハンドル付:400g
付属部品 SUS十字穴付皿木ネジ 、皿3.5×25:2本、半丸3.5×25:4本
型番
入数
価格
購入数
127-651 表示なし
1個
2,920
127-652 表示付
1個
4,375
127-653 ハンドル付
1個
4,880

ページTOP